在 LED 照明行业高速发展的今天,工程师们始终面临着一个核心挑战:如何在保证驱动系统高可靠性、高稳定性的同时,简化电路设计、降低方案成本?尤其是在建筑亮化、工业照明等对安全性要求严苛的场景中,雷击浪涌防护、过温保护、恒功率控制等功能,往往需要叠加大量外围器件,不仅推高了成本,还增加了 PCB 布局的复杂度。
而SM2251KDM 单段恒功率 LED 线性恒流控制芯片的出现,恰好为这个行业痛点提供了最优解 —— 它以高度集成的硬核技术,将 “高可靠性、高兼容性、低成本” 三大优势融为一体,重新定义了 LED 驱动芯片的性能标准。

700V 高压硬核防护,让 “无保护” 也能稳如磐石
对于户外照明、高电压输入场景而言,雷击浪涌是驱动系统的 “头号杀手”。传统方案需要额外搭配压敏电阻、TVS 管等保护器件,才能勉强应对常规浪涌冲击,不仅增加了物料成本,还占用了宝贵的 PCB 空间。
SM2251KDM 则通过独特创新的器件工艺技术,在芯片内部直接集成了 700V 高压 MOSFET,其抗雪崩击穿能力与浪涌耐受能力达到了行业顶尖水平。更令人惊叹的是,即便外围不添加任何保护器件,它也能轻松通过 700V 雷击浪涌测试 —— 这意味着工程师无需再为防护电路 “费心”,直接简化了电路设计,同时大幅提升了系统在极端环境下的可靠性。
此外,芯片还内置了过温保护功能:当系统温度超过安全阈值时,芯片会自动触发保护机制,避免因过热导致的器件损坏。无论是高温的工业厂房,还是密闭的照明灯具,SM2251KDM 都能始终保持稳定运行,为 LED 照明的 “长寿命” 提供坚实保障。
精准恒流 + 智能补偿,兼顾 “高性能” 与 “低功耗”
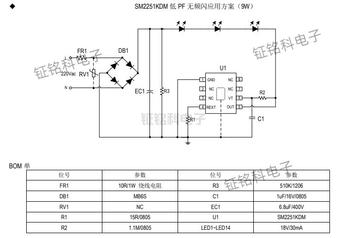
LED 照明的核心需求之一,是保证输出电流的稳定性 —— 电流波动不仅会导致灯光亮度忽明忽暗,还会加速 LED 芯片的老化。SM2251KDM 搭载了本司专利的恒流控制技术,芯片间输出电流偏差严格控制在 ±5% 以内,确保多灯珠并联时亮度均匀一致,彻底解决了 “同批灯具亮度不一” 的行业难题。
更贴心的是,工程师只需通过调节外围 REXT 电阻,就能灵活设定输出电流,无需更换芯片型号,极大提升了方案的兼容性。无论是 120Vac 的北美市场,还是 220Vac 的国内市场,SM2251KDM 都能完美适配,无需重新设计电路。
针对 “输入电压波动导致功率不稳定” 的问题,SM2251KDM 还集成了输入线电压补偿功能:当输入线电压过高时,芯片会通过外置补偿电阻自动减小输出电流,确保整个系统的输入功率基本不随电压变化而波动。这一功能不仅符合各国能效标准,还能有效避免因电压骤升导致的 LED 过功率损坏,真正实现 “恒功率、低功耗” 的双重目标。
全场景兼容 + 低成本设计,让方案落地更高效
SM2251KDM 的优势,不仅体现在性能上,更体现在对 “工程师友好” 的设计理念上:
- 无需磁性元器件,轻松过 EMI:传统驱动方案需要搭配电感、变压器等磁性器件来满足 EMI 要求,而 SM2251KDM 通过优化内部电路设计,无需额外磁性元件即可通过 EMI 测试,进一步简化了 PCB 走线,降低了物料成本。
- 高 / 低 PF 方案灵活切换:无论是对功率因数要求严苛的商业照明(PF>0.9),还是注重 “无频闪” 的家用照明(PF>0.5,无频闪),SM2251KDM 都能一键适配,无需更换芯片,大大缩短了产品开发周期。
- 紧凑封装,适配多种灯具:芯片采用 ESOP8 封装,体积小巧,可轻松嵌入 LED 日光灯管(T5/T8)、球泡灯、投光灯、工矿灯等多种照明产品中 —— 从家用照明到工业照明,从建筑亮化到户外景观,SM2251KDM 都能完美胜任。
以技术创新,赋能 LED 照明新未来
在 LED 照明行业竞争日益激烈的今天,“降本、增效、提质” 已成为企业突围的关键。SM2251KDM 以 “700V 高压防护、精准恒流控制、智能电压补偿、低成本设计” 四大核心优势,为工程师提供了一款 “开箱即用” 的驱动芯片 —— 它不仅能减少外围器件数量、降低方案成本,还能提升系统可靠性与稳定性,让 LED 照明产品在市场竞争中更具优势。
无论是追求高性价比的家用照明品牌,还是专注于工业、户外照明的企业,SM2251KDM 都将成为驱动方案的最优选择,助力 LED 照明行业迈向更高效、更可靠的新未来。